电话咨询
18221522247
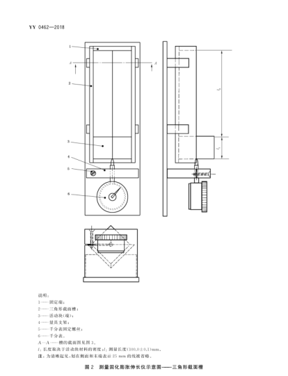
牙科学石膏产品线固化膨胀伸长仪-三角形截面槽
发布时间:2026-04-08 18:02:30浏览次数:

牙科学石膏产品线固化膨胀伸长仪-三角形截面槽

符合标准:

YY/T 0462-2018

技术参数:

三角形截面槽,见图2,3,4.由耐腐蚀的金属材料制成(如铝、不锈钢或黄铜合金),能形成长(100.0±0.1)mm的试样。仪器与测量装置固定,使之能测定0.01mm的长度变化,并对试样施加不大于0.8N的测试力。样本槽的内截面应为一等腰三角形,两内截面边长(301)mm,夹角为90°槽的一端为封闭固定的,另一端为一可移动的质量为(20010)g的活动块。在槽的内表面划出一条水平线,使三角形的边长为(251)mm

image.png 

image.png 

image.png 




Copyright © 上海理涛自动化科技有限公司 All Right Reserved