电话咨询
18221522247
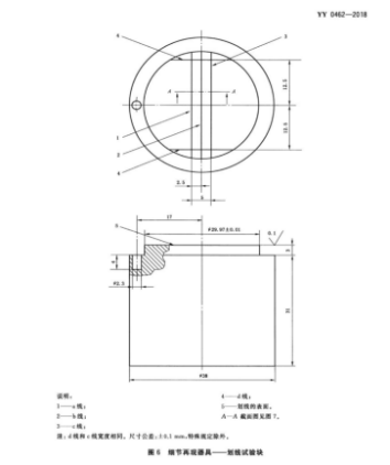
细节再现工装-细节再现器具-划线试验块
发布时间:2026-04-08 17:57:40浏览次数:

细节再现工装-细节再现器具-划线试验块

符合标准:
YY/T 0462-2018,7.7细节再现

介绍:

试验块:带如图6和图7中所示的划线,由硬化不锈钢材质(400VHN)制成。

环形模具:如图8所示。按GB/T131-2006,表面粗糙度为N5(Ra=0.4μm)。

开口模具:如图9所示。按GB/T131-2006,表面粗糙度为N5(Ra=0.4μm)。

image.png 




Copyright © 上海理涛自动化科技有限公司 All Right Reserved